+86-577-86866707
sales@kaysensteel.com
|
|
|
|
Home » Butt Weld Pipe Fittings » Stainless Steel Stub End » WP347H ASME/ANSI B16.9 Long Pattern Finish Turing Lap Joint Stub End

Product List

Contact Us

Kaysen Steel Industry Co.,Ltd
Add:Yongzhong Street, Longwan District,Wenzhou,China
Tel:  0086-577-86866707
Fax: 0086-577-86866707
Mob:0086-15906484621

Email: sales@kaysensteel.com / kaysensteel@hotmail.com
Skype: kaysensteel

Product Detail

loading

Share to:
sharethis sharing button

WP347H ASME/ANSI B16.9 Long Pattern Finish Turing Lap Joint Stub End

Brand:KAYSEN
Size: DN15-DN2000
Pressure:Sch5S-Sch160,XS,XXS
Standard:ASME/ANSI B16.9,MSS SP-43,GB/T-12459
Material:Stainless Steel、Duplex and Super Duplex Steel、Alloy Steel、Carbon Steel
Certificates:CE/ISO/PED/TS/BV/CQC
Quantity:
1.Product Name: WP347H ASME/ANSI B16.9 Long Pattern Finish Turing Lap Joint Stub End
2.Size Range:DN15-DN1200 (1/2"-48");SMLS and Welded with 100% X-Ray 
3.Wall Thickness: Sch5S-Sch160
4.Material:                     
A.Stainless Steel: ASTM A403 WP304/304L, WP316/316/L, WP317L, WP321, WP347 & WPS31254
B.Carbon Steel: ASTM A234 WPB, WPC, ASTM A420 WPL1, WPL3, WPL6,20#,A106B, A182 SA105
C.Duplex Steel: ASTM A815 UNS S31803/F51/S2205、S32750/F53/2507、S32760/F55/2607
D.Alloy Steel: ASTM A234 WP1/WP5/WP7/WP9/WP11/WP12/WP22/WP91
E:Special Alloy Steel:TP310S,904L,Incoloy 800,Incoloy 800H,Incoloy 825,Incoloy 600,Incoloy 625
5.Standard:ASME/ANSI B16.9,MSS SP-43,GB/T-12459
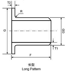
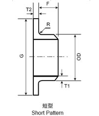
6.Type:Long Pattern and Short Pattern 
7.Non-destructive Testing: Penetration test, Ultrasonic test, Radiographic test or Any third parties inspection
8.Application: Petroleum,Chemical,Electric,Power,Gas,Metallurgy,Shipbuilding, Construction,Fertilizer Equipment and Pipeline,Structure,Pharmaceutical Industry etc
asme b16.9 long pattern lap joints stub ends                                                               mss ap-43 short pattern stub end
1、LAP JOINT STUB END STANDARD conform to MSS SP-43、ASME B16.9 Standards
LAP JOINT STUB END
AMERICAN STANDARD EUROPEARN STANDARD JIS STANDARD STUB END RING
ASME/ANSIB16.9(Long Pattern) - - DIN2641 (PN6)
MSS SP43(Short Pattern) DIN2642 (PN10)
HG20621(Short Pattern) HG20599
-
GB9118 I Type(Long)、II Type(Short) - - GB
SH3406LLType (Long)、LType(Short) - - -

2、LAP JOINT STUB END Diameter Data
公称通径 
短节外径 接管长度F 搭接外径 圆角半径
Nominal Diameter
Outside Diameter Length Diameter of Lap 
Nominal&Maximum
R
DN NPS OD 长型 短型 G A B
LP SP Max Max
15  
1/2
21.3 76 51 35 3 0.75
20  
3/4
26.7 76 51 43 3 0.75
25 1 33.4 102 51 51 3 0.75
32 1.1/4 42.4 102 51 64 5 0.75
40 1.1/2 48.3 102 51 73 6 0.75
50 2 60.3 152 64 92 8 0.75
65 2.1/2 73 152 64 105 8 0.75
80 3 88.9 152 64 127 10 0.75
90 3.1/2 101.6 152 76 140 10 0.75
100 4 114.3 152 76 157 11 0.75
125 5 141.3 203 76 186 11 1.5
150 6 168.3 203 89 216 13 1.5
200 8 219.1 203 102 270 13 1.5
250 10 273.1 254 127 324 13 1.5
300 12 323.9 254 152 381 13 1.5
350 14 355.6 305 152 413 13 1.5
400 16 406.4 305 152 470 13 1.5
450 18 457.2 305 152 533 13 1.5
500 20 508 305 152 584 13 1.5
550 22 559 305 152 641 13 1.5
600 24 610 305 152 692 13 1.5

Previous: 
Next: 

Feedback Form

If you have any enquiry about quotation or cooperation, please feel free to email us at sales@kaysensteel.com or use the following enquiry form. Our sales representative will contact you within 24 hours. Thank you for your interest in our products.
Contact us

Contact Us

Kaysen Steel Industry Co.,Ltd
Tel:  0086-577-86866707
Fax: 0086-577-86866707
Mob: 0086-15906484621

E-mail: sales@kaysensteel.com
kaysensteel@hotmail.com
Copyright © Kaysen Steel Industry Co.,Ltd All Rights Reserved. Friendly Link: www.chinasanitaryvalve.com